联系我们

山东方亿环保科技有限公司  
联系人:朱经理
手机:15166085666
手机:13573319487
地址:山东省淄博市博山区北山路8号
邮箱:zbfycc@163.com


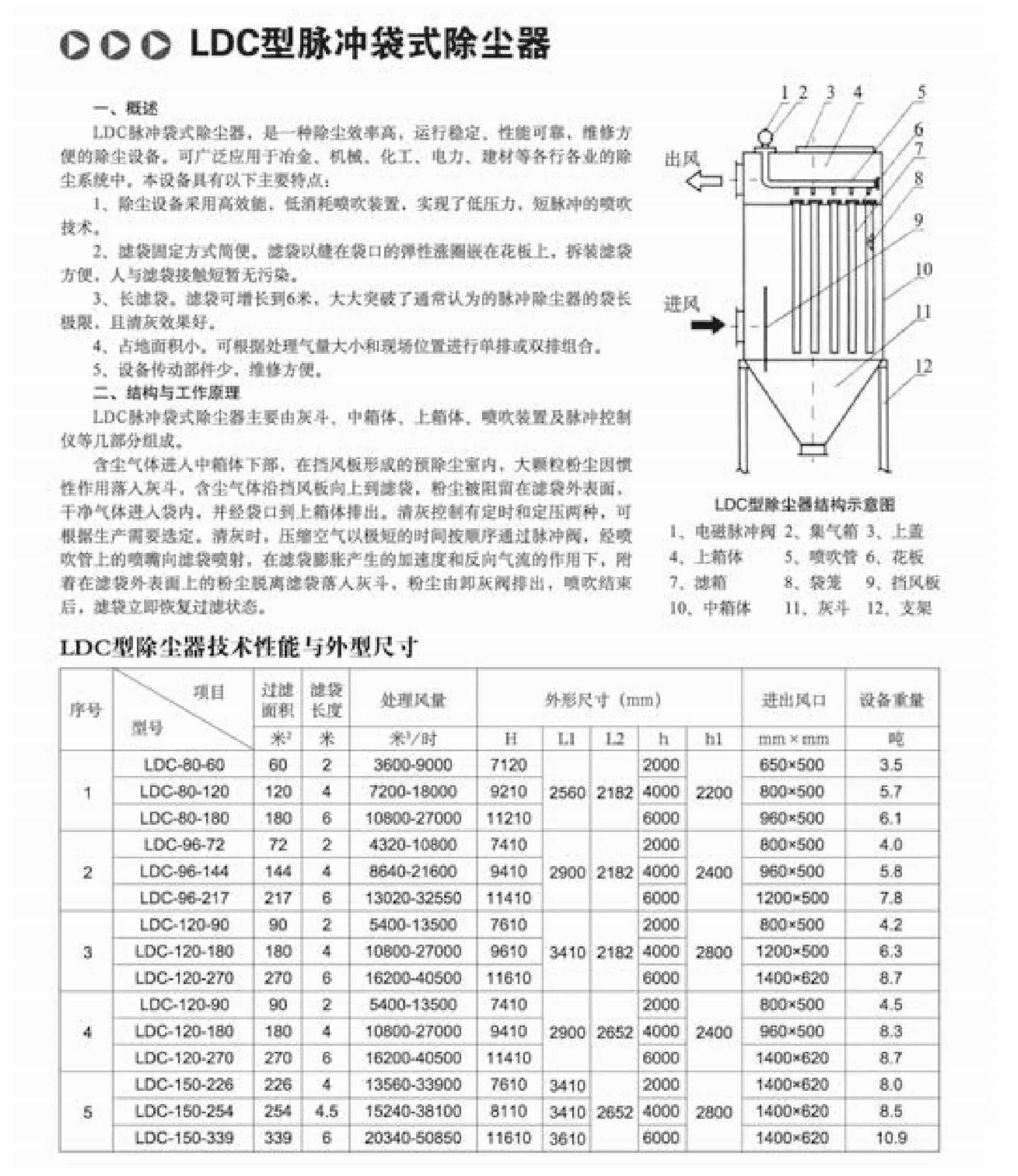
LDC型低压脉冲袋式除尘器
产品详情:

发布时间:2022-06-23  阅读:2903 次  【打印此页】
上一篇:没有了!
下一篇: 没有了!
相关信息
    联系我们

    山东方亿环保科技有限公司  
    联系人:朱经理
    手机:15166085666
    手机:13573319487
    地址:山东省淄博市博山区北山路8号
    邮箱:zbfycc@163.com


    关注我们
    二维码

    扫一扫,关注我们

    二维码

    扫一扫,咨询我们

    保存图片,微信识别二维码

    微信号:ceshi

    (点击微信号复制,添加好友)

      打开微信